- 产品描述
- 主要功能
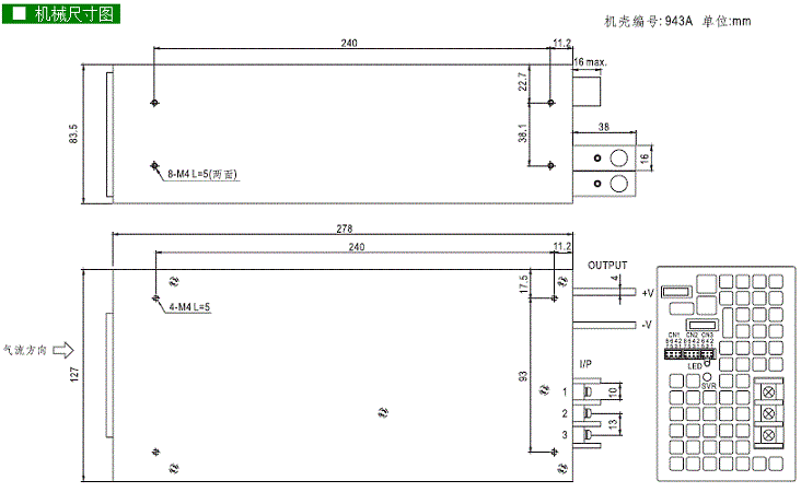
- 基本参数
高可靠开关电源机型, 可承受5G震动与70°C高工作环温,全机使用105°C高寿命电解电容,可承受300VAC突波输入达5秒,适合使用于较严苛的工作环境








|
瓦数 |
15W~150W |
|
|
功能特性 |
• 小型化,无PFC功能 |
|
|
机型资料 |
单组 |
RS-15 / RS-25 / RS-35 / RS-50 / RS-75 / RS-100 / RS-150 |
|
双组 |
RD-35 / RD-50 / RD-65 / RD-85 / RD-125 |
|
|
RID-50/ RID-65/ RID-85 / RID-125 |
||
|
三组 |
RT-50 / RT-65 / RT-85 / RT-125 |
|
|
四组 |
RQ-50 / RQ-65 / RQ-85 / RQ-125 |
|
bb平台体育艾弗森开关电源的工作原理
bb平台体育艾弗森开关电源的工作过程相当容易理解,在线性电源中,让功率晶体管工作在线性模式,与线性电源不同的是,PWM开关电源是让功率晶体管工作在导通和关断的状态,在这两种状态中,加在功率晶体管上的伏-安乘积是很小的(在导通时,电压低,电流大;关断时,电压高,电流小)/功率器件上的伏安乘积就是功率半导体器件上所产生的损耗。与线性电源相比,PWM开关电源更为有效的工作过程是通过“斩波”,即把输入的直流电压斩成幅值等于输入电压幅值的脉冲电压来实现的。脉冲的占空比由开关电源的控制器来调节。一旦输入电压被斩成交流方波,其幅值就可以通过变压器来升高或降低。通过增加变压器的二次绕组数就可以增加输出的电压组数。最后这些交流波形经过整流滤波后就得到直流输出电压。控制器的主要目的是保持输出电压稳定,其工作过程与线性形式的控制器很类似。也就是说控制器的功能块、电压参考和误差放大器,可以设计成与线性调节器相同。他们的不同之处在于,误差放大器的输出在驱动功率管之前要经过一个电压/脉冲宽度转换单元。
开关电源有两种主要的工作方式:正激式变换和升压式变换。尽管它们各部分的布置差别很小,但是工作过程相差很大,在特定的应用场合下各有优点。
电路原理:开关电源里有的采用可控硅,有的采用开关管,这两个元器件性能差不多,都是靠基极、(开关管)控制极(可控硅)上加上脉冲信号来完成导通和截止的,脉冲信号正半周到来,控制极上电压升高,开关管或可控硅就导通,由220V整流、滤波后输出的300V电压就导通,通过开关变压器传到次级,再通过变压比将电压升高或降低,供各个电路工作。振荡脉冲负半周到来,电源调整管的基极、或可控硅的控制极电压低于原来的设置电压,电源调整管截止,300V电源被关断,开关变压器次级没电压,这时各电路所需的工作电压,就靠次级本路整流后的滤波电容放电来维持。待到下一个脉冲的周期正半周信号到来时,重复上一个过程。这个开关变压器就叫高频变压器,因为他的工作频率高于50HZ低频。那么推动开关管或可控硅的脉冲如何获得呢,这就需要有个振荡电路产生,我们知道,晶体三极管有个特性,就是基极对发射极电压是0.65-0.7V是放大状态,0.7V以上就是饱和导通状态,-0.1V- -0.3V就工作在振荡状态,那么其工作点调好后,就靠较深的负反馈来产生负压,使振荡管起振,振荡管的频率由基极上的电容充放电的时间长短来决定,振荡频率高输出脉冲幅度就大,反之就小,这就决定了电源调整管的输出电压的大小。那么变压器次级输出的工作电压如何稳压呢,一般是在开关变压器上,单绕一组线圈,在其上端获得的电压经过整流滤波后,作为基准电压,然后通过光电耦合器,将这个基准电压返回振荡管的基极,来调整震荡频率的高低,如果变压器次级电压升高,本取样线圈输出的电压也升高,通过光电耦合器获得的正反馈电压也升高,这个电压加到振荡管基极上,就使振荡频率降低,起到了稳定次级输出电压的稳定,太细的工作情况就不必细讲了,也没必要了解的那么细的,这样大功率的电压由开关变压器传递,并与后级隔开,返回的取样电压由光耦传递也与后级隔开,所以前级的市电电压,是与后级分离的,这就叫冷板,是安全的,变压器前的电源是独立的。










